Best-seller SOIL TILLAGE
Piese Tractoare
Piese schimb tiranti
Lubrifianți agro
Erbicidare
Piese auto
Lubrifianți
Piese utilaje de prelucrare a solului
Utilaje agricole
Balotiere
RURIS
Consumabile utilaje
Cositori de iarbă
Piese combine
Echipamente atelier
Rulmenți
Componente de transmisie
Componente electrice
Componente hidraulice
Sistem direcție
Filtre neidentificate
Tocătoare Crengi
Geomembrana
Elemente asamblare lemn
Păduri & spații verzi
Accesorii
Zootehnie
HEAVY BLACK LIGHTS
Anvelope
Componente sașiu, parbrize
Milwaukee
HIKOKI
Ai intrebări legate de acest produs? Contactează-ne acum
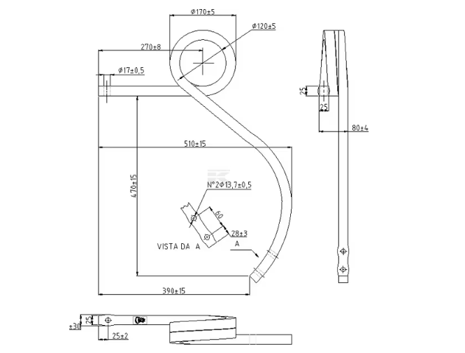
| Marcă | Non Original | |
|---|---|---|
| Distanța între orificiile de montare | 60 mm | |
| Lățime | 25 mm | |
| Grosime | 25 mm | |
| Înălțime totală | 635 mm | |
| Înălţime față de cadru | 470 mm | |
| Diametru gaură de montare | 17 mm | |
| Montare laterală | Stânga | |
| Potrivire pentru marcă utilaj/vehicul | n/a | |
| Cu vârf | Nu |
Documente in format digital
Compania noastră este specializată în produse auto și agricole. Avem o gamă largă de piese de tractor potrivite pentru majoritatea producătorilor, precum și o gamă largă de piese și accesorii.
© 2026 AgroPromo. Toate drepturile rezervate.
Webdesign by Icetech